Hi,

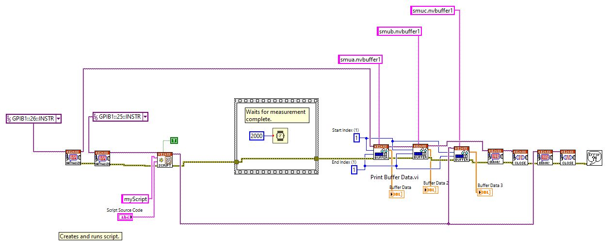
 I was trying to trigger the measurement for finding the forward voltage of the  3 LEDs, 2 of which is connected to channel A and B of SMU (2602B)  and another to channel A of the second SMU ( 2612B) . I have tried using TSP link cable and labview to  establish the connection between the 2 SMUs and read the forward voltage . But i couldnt read it in labview, as the error "-420, query unterminated" occured. I am able to see the forward voltage values in the SMU screen but now in the labview. I have executed it using lua script which is given below. Also attached the labview code that i used. Kindly help me to find the error.

The code used is :

local smua = node[1].smua
local smub = node[1].smub
local smuc = node[2].smua

-- Configuring basic settings for all SMUs
local function configureSMU(smu)
    smu.reset()
    smu.source.func = smu.OUTPUT_DCAMPS
    smu.source.limitv = 3  
    smu.source.leveli = 0.01
    smu.source.output = smu.OUTPUT_ON
    smu.measure.autorangev = smu.AUTORANGE_ON
end

-- Configure all SMUs
configureSMU(smua)
configureSMU(smub)
configureSMU(smuc)

-- Clearing buffers before starting measurements
smua.nvbuffer1.clear()
smub.nvbuffer1.clear()
smuc.nvbuffer1.clear()

-- Function to perform measurement
local function performMeasurement(smu, buffer)
    smu.measure.count = 1 
    smu.trigger.source.action = smu.ENABLE  
    smu.trigger.measure.v(smu.nvbuffer1)
    smu.trigger.measure.action = smu.ENABLE  
    smu.trigger.source.stimulus = smu.trigger.SOURCE_COMPLETE_EVENT_ID  
    smu.trigger.measure.stimulus = smu.trigger.MEASURE_COMPLETE_EVENT_ID 
  end

smua.trigger.initiate()
smub.trigger.initiate()
smuc.trigger.initiate()

-- Perform measurements
performMeasurement(smua, smua.nvbuffer1)
performMeasurement(smub, smub.nvbuffer2)
performMeasurement(smuc, smuc.nvbuffer1)

delay(1)

smua.measure.v(smua.nvbuffer1)
smub.measure.v(smub.nvbuffer1)
smuc.measure.v(smuc.nvbuffer1)

waitcomplete()